Geology of Pluto
The geology of Pluto consists of the characteristics of the surface, crust, and interior of Pluto. Because of Pluto's distance from Earth, in-depth study from Earth is difficult. Many details about Pluto remained unknown until 14 July 2015, when New Horizons flew through the Pluto system and began transmitting data back to Earth.[1] When it did, Pluto was found to have remarkable geologic diversity, with New Horizons team member Jeff Moore saying that it "is every bit as complex as that of Mars".[2] The final New Horizons Pluto data transmission was received on 25 October 2016.[3][4] In June 2020, astronomers reported evidence that Pluto may have had a subsurface ocean, and consequently may have been habitable, when it was first formed.[5][6]

Surface

(11 July 2015)

More than 98 percent of Pluto's surface consists of solid nitrogen, with traces of methane and carbon monoxide.[7] The face of Pluto oriented toward Charon contains more solid methane,[8] whereas the opposite face contains more nitrogen and solid carbon monoxide.[9] Distribution of volatile ices is thought to be season-dependent and influenced more by solar insolation and topography than by subsurface processes.[10][8]
Maps produced from images taken by the Hubble Space Telescope (HST), together with Pluto's light curve and the periodic variations in its infrared spectra, indicate that Pluto's surface is very varied, with large differences in both brightness and color,[11] with albedos between 0.49 and 0.66.[12] Pluto is one of the most contrastive bodies in the Solar System, with as much contrast as Saturn's moon Iapetus.[13] The color varies between charcoal black, dark orange and white.[14] Pluto's color is more similar to that of Io with slightly more orange, significantly less red than Mars.[15] New Horizons data suggest equally variable surface ages for Pluto, with ancient, dark, mountainous terrain (such as Cthulhu) occurring alongside the bright, flat, effectively craterless Sputnik Planitia and various terrains of intermediate age and color.
Pluto's surface color changed between 1994 and 2003: the northern polar region brightened and the southern hemisphere darkened.[14] Pluto's overall redness also increased substantially between 2000 and 2002.[14] These rapid changes probably relate to seasonal condensation and sublimation of portions of Pluto's atmosphere, amplified by Pluto's extreme axial tilt and high orbital eccentricity.[14]

.jpg.webp)
Soft-ice plains and glaciers
Sputnik Planitia appears to be composed of ices more volatile, softer and more dense than the water-ice bedrock of Pluto, including nitrogen, carbon monoxide and solid methane.[16] A polygonal convection cell structure is visible over much of the planitia. No craters have been found, indicating that its surface must be less than 10 million years old.[17] A number of mechanisms are proposed to explain the absence of craters, including cryovolcanism (volcanoes erupting volatiles instead of magma), convective overturn, and viscous relaxation – processes that would erase negative topography.[17] Glaciers of what is probably solid nitrogen can be seen flowing from the planitia into adjacent depressions and craters. Nitrogen from the plain appears to have been carried via the atmosphere and deposited in a thin layer of ice on uplands to the east and south of the plain, forming the large bright eastern lobe of Tombaugh Regio. Glaciers appear to be flowing back into the planitia through valleys from these eastern highlands.






Nitrogen ice glaciers flowing into the eastern margin of the planitia (similar reprojected backlit view highlighting flow lines).
Water-ice mountains
Mountains several kilometres high occur along the southwestern and southern edges of Sputnik Planitia. Water ice is the only ice detected on Pluto that is strong enough at Plutonian temperatures to support such heights.
Pluto - water ice distribution (false color; rel 29 January 2016)
Regions where water ice has been detected (blue regions)
Hillary Montes and Tenzing Montes (labeled Norgay Montes) lie between Sputnik Planitia (top) and Cthulhu Regio (bottom).[19]
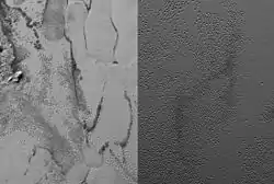
Ancient cratered terrain
Cthulhu Regio and other dark areas have many craters and signatures of solid methane. The dark red color is thought to be due to tholins falling out of Pluto's atmosphere.
Northern latitudes
The mid-northern latitudes display a variety of terrain reminiscent of the surface of Triton. A polar cap consisting of solid methane "diluted in a thick, transparent slab of solid nitrogen" is somewhat darker and redder.[20]
Distribution of methane ice on Pluto.[8] Bright green is the polar cap; bright red is Balrog Regio.
Map of methane ice abundance, which shows striking regional differences.[8] Stronger methane absorption indicated by the brighter purple colors here, and lower abundances shown in black.
Indications of complex geological features north of the dark equatorial regions
Tartarus Dorsa

The western part of Pluto's northern hemisphere consists of an extensive, highly distinctive set of 500-meter-high mountains informally named Tartarus Dorsa; the spacing and shape of the mountains looks similar to scales or to tree bark. A January 2017 Nature paper by Dr. John Moores and his colleagues identified these icy ridges as penitentes.[21] Penitentes are icy depressions formed by erosion and surrounded by tall spires. Pluto is the only planetary body other than Earth on which penitentes have been identified. Although penitentes have been hypothesized on Jupiter's satellite Europa, current theories suggest they may require an atmosphere to form. Moores and his colleagues hypothesize that Pluto's penitentes grow only during periods of high atmospheric pressure, at a rate of approximately 1 centimeter per orbital cycle. These penitentes appear to have formed in the last few tens-of-millions of years, an idea supported by the sparsity of craters in the region, making Tartarus Dorsa one of the youngest regions on Pluto.[21]
Cutting through both Tartarus Dorsa and Pluto's heavily-cratered northern terrain (and thus formed more recently than both) is a set of six canyons radiating from a single point; the longest, informally named Sleipnir Fossa, is over 580 kilometers long. These chasms are thought to have originated from pressures caused by material upwelling at the center of the formation.[22]
Possible cryovolcanism
When New Horizons first sent back data from Pluto, Pluto was thought to be losing hundreds of tons of its atmosphere an hour to ultraviolet light from the Sun; such an escape rate would be too great to be resupplied by comet impacts. Instead, nitrogen was thought to be resupplied either by cryovolcanism or by geysers bringing it to the surface. Images of structures that imply upwelling of material from within Pluto, and streaks possibly left by geysers, support this view.[18][23] Subsequent discoveries suggest that Pluto's atmospheric escape was overestimated by several thousand times and thus Pluto could theoretically keep its atmosphere without geological assistance, though evidence of ongoing geology remains strong.[24]
Two possible cryovolcanoes, provisionally named Wright Mons and Piccard Mons, have been identified in topographic maps of the region south of Sputnik Planitia, near the south pole. Both are over 150 km across and at least 4 km high, the tallest peaks known on Pluto at present. They are lightly cratered and thus geologically young, although not as young as Sputnik Planitia. They are characterized by a large summit depression and hummocky flanks. This represents the first time large potentially cryovolcanic constructs have been clearly imaged anywhere in the Solar System.[25][26][27]



A 2019 study identified a second likely cryovolcanic structure around Virgil Fossae, a series of troughs in northeastern Cthulu Macula, west of Tombaugh Regio. Ammonia-rich cryolavas appear to have erupted from Virgil Fossae and several nearby sites and covered an area of several thousand square kilometers; the fact that the ammonia's spectral signal was detectable when New Horizons flew by Pluto suggests that Virgil Fossae is no older than one billion years and potentially far younger, as galactic cosmic rays would destroy all the ammonia in the upper meter of the crust in that time and solar radiation could destroy the surface ammonia 10 to 10000 times more quickly. The subsurface reservoir from which this cryomagma emerged may have been separate from Pluto's subsurface ocean.[28]
Internal structure

- Water ice crust
- Liquid water ocean
- Silicate core
Pluto's density is 1.87 g/cm3.[30] Because the decay of radioactive elements would eventually heat the ices enough for the rock to separate from them, scientists think that Pluto's internal structure is differentiated, with the rocky material having settled into a dense core surrounded by a mantle of water ice.[31] Pluto's abundant surface volatiles imply that Pluto is either completely differentiated (and thus has liberated all of the volatiles that had been locked away in its water ice) or formed within less than a million years after the circumstellar disk was cleared (when volatiles were still available to be incorporated into Pluto).[32]
The diameter of the core is hypothesized to be approximately 1700 km, 70% of Pluto's diameter.[29] It is possible that such heating continues today, creating a subsurface ocean layer of liquid water and ammonia some 100 to 180 km thick at the core–mantle boundary.[29][31][33] Studies based on New Horizon's images of Pluto reveal no signs of contraction (as would be expected if Pluto's internal water had all frozen and turned into ice II) and imply that Pluto's interior is still expanding, probably due to this internal ocean; this is the first concrete evidence that Pluto's interior is still liquid.[34][35] Pluto is proposed to have a thick water-ice lithosphere, based on the length of individual faults and lack of localized uplift. Differing trends in the faults suggest previously active tectonics, though its mechanisms remain unknown.[36] The DLR Institute of Planetary Research calculated that Pluto's density-to-radius ratio lies in a transition zone, along with Neptune's moon Triton, between icy satellites like the mid-sized moons of Uranus and Saturn, and rocky satellites such as Jupiter's Io.[37]
Pluto has no magnetic field.[38]
See also
References
- Brown, Dwayne; Buckley, Michael; Stothoff, Maria (15 January 2015). "January 15, 2015 Release 15-011 - NASA's New Horizons Spacecraft Begins First Stages of Pluto Encounter". NASA. Retrieved 15 January 2015.
- "New Pluto images from NASA's New Horizons show complex terrain". Astronomy. 10 September 2015. Retrieved 29 June 2018.
- Chang, Kenneth (28 October 2016). "No More Data From Pluto". New York Times. Retrieved 3 December 2016.
- "Pluto Exploration Complete: New Horizons Returns Last Bits of 2015 Flyby Data to Earth". Johns Hopkins Applied Research Laboratory. 27 October 2016. Retrieved 3 December 2016.
- Rabie, Passant (22 June 2020). "New Evidence Suggests Something Strange and Surprising about Pluto - The findings will make scientists rethink the habitability of Kuiper Belt objects". Inverse. Retrieved 23 June 2020.
- Bierson, Carver; et al. (22 June 2020). "Evidence for a hot start and early ocean formation on Pluto". Nature Geoscience. 769. doi:10.1038/s41561-020-0595-0. Retrieved 23 June 2020.
- Owen, Tobias C.; Roush, Ted L.; Cruikshank, Dale P.; et al. (1993). "Surface Ices and the Atmospheric Composition of Pluto". Science. 261 (5122): 745–748. Bibcode:1993Sci...261..745O. doi:10.1126/science.261.5122.745. JSTOR 2882241. PMID 17757212.
- Lewin, Sarah (27 September 2017). "Pluto's 'Skyscrapers': What's Responsible for Dwarf Planet's Giant Ice Blades". Space.com. Retrieved 27 September 2017.
- Boyle, Alan (11 February 1999). "Pluto regains its place on the fringe". NBC News. Retrieved 20 March 2007.
- Bertrand, Tanguy; Forget, François (19 September 2016). "Observed glacier and volatile distribution on Pluto from atmosphere–topography processes". Nature. 540 (7631): 86–89. Bibcode:2016Natur.540...86B. doi:10.1038/nature19337. PMID 27629517. S2CID 4401893.
- Buie, Marc W.; Grundy, William M.; Young, Eliot F.; et al. (2010). "Pluto and Charon with the Hubble Space Telescope: I. Monitoring global change and improved surface properties from light curves". Astronomical Journal. 139 (3): 1117–1127. Bibcode:2010AJ....139.1117B. CiteSeerX 10.1.1.625.7795. doi:10.1088/0004-6256/139/3/1117.
- Hamilton, Calvin J. (12 February 2006). "Dwarf Planet Pluto". Views of the Solar System. Retrieved 10 January 2007.
- Buie, Marc W. "Pluto map information". Archived from the original on 29 June 2011. Retrieved 10 February 2010.
- Villard, Ray; Buie, Marc W. (4 February 2010). "New Hubble Maps of Pluto Show Surface Changes". News Release Number: STScI-2010-06. Retrieved 10 February 2010.
- Buie, Marc W.; Grundy, William M.; Young, Eliot F.; et al. (2010). "Pluto and Charon with the Hubble Space Telescope: II. Resolving changes on Pluto's surface and a map for Charon". Astronomical Journal. 139 (3): 1128–1143. Bibcode:2010AJ....139.1128B. CiteSeerX 10.1.1.182.7004. doi:10.1088/0004-6256/139/3/1128.
- Lakdawalla, Emily (21 December 2015). "Pluto updates from AGU and DPS: Pretty pictures from a confusing world". The Planetary Society. Retrieved 24 January 2016.
- Marchis, F.; Trilling, D. E. (20 January 2016). "The Surface Age of Sputnik Planum, Pluto, Must Be Less than 10 Million Years". PLOS ONE. 11 (1): e0147386. arXiv:1601.02833. Bibcode:2016PLoSO..1147386T. doi:10.1371/journal.pone.0147386. PMC 4720356. PMID 26790001.
- Chang, Kenneth (17 July 2015). "Pluto terrain yields big surprises in New Horizons images". New York Times. Retrieved 17 July 2015.
- Gipson, Lillian (24 July 2015). "New Horizons Discovers Flowing Ices on Pluto". NASA. Retrieved 24 July 2015.
- "Solar System Exploration: Multimedia: Gallery: Planetary Images: Pluto: The Ice Plot Thickens". NASA. Archived from the original on 18 August 2015. Retrieved 11 August 2015.
- Moores, John E.; Smith, Christina L.; Toigo, Anthony D.; Guzewich, Scott D. (4 January 2017). "Penitentes as the origin of the bladed terrain of Tartarus Dorsa on Pluto". Nature. 541 (7636): 188–190. arXiv:1707.06670. Bibcode:2017Natur.541..188M. doi:10.1038/nature20779. PMID 28052055.
- Talbert, Tricia, ed. (8 April 2016). "Icy 'Spider' on Pluto". NASA. Retrieved 23 February 2017.
- "Scientists study nitrogen provision for Pluto's atmosphere". phys.org. 11 August 2015. Retrieved 11 August 2015.
- "New Horizons: News Article?page=20151109".
- "At Pluto, New Horizons Finds Geology of All Ages, Possible Ice Volcanoes, Insight into Planetary Origins". New Horizons News Center. The Johns Hopkins University Applied Physics Laboratory LLC. 9 November 2015. Retrieved 9 November 2015.
- Witze, A. (9 November 2015). "Icy volcanoes may dot Pluto's surface". Nature. doi:10.1038/nature.2015.18756. Retrieved 9 November 2015.
- Redd, N. T. (9 November 2015). "Icy Volcanoes May Erupt on Pluto". Space.Com. Retrieved 10 November 2015.
- Cruikshank, Dale P.; Umurhan, Orkan M.; Beyer, Ross A.; Schmitt, Bernard; Keane, James T.; Runyon, Kirby D.; Atri, Dimitra; White, Oliver L.; Matsuyama, Isamu; Moore, Jeffrey M.; McKinnon, William B.; Sandford, Scott A.; Singer, Kelsi N.; Grundy, William M.; Dalle Ore, Cristina M.; Cook, Jason C.; Bertrand, Tanguy; Stern, S. Alan; Olkin, Catherine B.; Weaver, Harold A.; Young, Leslie A.; Spencer, John R.; Lisse, Carey M.; Binzel, Richard P.; Earle, Alissa M.; Robbins, Stuart J.; Gladstone, G. Randall; Cartwright, Richard J.; Ennico, Kimberly (15 September 2019). "Recent cryovolcanism in Virgil Fossae on Pluto". Icarus. 330: 155–168. Bibcode:2019Icar..330..155C. doi:10.1016/j.icarus.2019.04.023.
- Hussmann, Hauke; Sohl, Frank; Spohn, Tilman (November 2006). "Subsurface oceans and deep interiors of medium-sized outer planet satellites and large trans-neptunian objects". Icarus. 185 (1): 258–273. Bibcode:2006Icar..185..258H. doi:10.1016/j.icarus.2006.06.005.
- Pluto – Universe Today
- "The Inside Story". pluto.jhuapl.edu – NASA New Horizons mission site. Johns Hopkins University Applied Physics Laboratory. 2007. Archived from the original on 20 August 2011. Retrieved 11 July 2015.
- Lisse, C. M.; Young, L.; Cruikshank, D.; Sandford, S.; Schmitt, B.; Stern, S. A.; Weaver, H. A.; Umurhan, O.; Pendleton, Y.; Keane, J.; Gladstone, R.; Parker, J.; Binzel, R.; Earle, A.; Horanyi, M.; El-Maarry, M.; Cheng, A.; Moore, J.; McKinnon, W.; Grundy, W.; Kavelaars, J. (2020). "Ices in KBO MU69 and Pluto — Implications for Their Formation & Evolution". American Astronomical Society Meeting Abstracts. 52: 438.04. Bibcode:2020AAS...23543804L.
- "What is Pluto made of?". Space.com. 20 November 2012. Retrieved 11 July 2015.
- Gearin, Conor (22 June 2016). "Pluto must have liquid ocean or it'd look like an overripe peach". New Scientist. Retrieved 23 February 2017.
- Hammond, Noah P.; Barr, Amy C.; Parmentier, Edgar M. (2 July 2016). "Recent tectonic activity on Pluto driven by phase changes in the ice shell". Geophysical Research Letters. 43 (13): 6775–6782. arXiv:1606.04840. Bibcode:2016GeoRL..43.6775H. doi:10.1002/2016GL069220.
- Moore, J. M.; McKinnon, W. B.; Spencer, J. R.; Howard, A. D.; Schenk, P. M.; Beyer, R. A.; Nimmo, F.; Singer, K. N.; Umurhan, O. M.; White, O. L.; et al. (18 March 2016). "The geology of Pluto and Charon through the eyes of New Horizons". Science. 351 (6279): 1284–1293. arXiv:1604.05702. Bibcode:2016Sci...351.1284M. doi:10.1126/science.aad7055. PMID 26989245.
- DLR Interior Structure of Planetary Bodies Archived 26 July 2011 at the Wayback Machine DLR Radius to Density Archived 26 July 2011 at the Wayback Machine The natural satellites of the giant outer planets...
- NASA (14 September 2016). "X-ray Detection Sheds New Light on Pluto". nasa.gov. Retrieved 3 December 2016.

