Southwest Airlines Flight 1248
Southwest Airlines Flight 1248 (WN1248, SWA1248) was a scheduled passenger flight from Baltimore, Maryland, to Chicago, Illinois, continuing on to Salt Lake City, Utah, and then to Las Vegas, Nevada. On December 8, 2005, the airplane slid off a runway at Chicago-Midway while landing in a snowstorm and crashed into automobile traffic, killing a six-year-old boy.[2][3][4][5]
![]() N471WN, following its runway overrun at Chicago Midway Airport. | |
| Accident | |
|---|---|
| Date | December 8, 2005 |
| Summary | Runway overrun in snowstorm due to pilot error |
| Site | Intersections of W 55th Street and S Central Avenue Chicago, Illinois, United States 41°47′32.7″N 87°45′44.4″W |
| Total fatalities | 1 |
| Total injuries | 12 |
| Aircraft | |
| Aircraft type | Boeing 737-7H4 |
| Operator | Southwest Airlines |
| IATA flight No. | WN1248 |
| ICAO flight No. | SWA1248 |
| Call sign | SOUTHWEST 1248 |
| Registration | N471WN (re-registered as N286WN[1] after repairs) |
| Flight origin | Baltimore/Washington Int'l Thurgood Marshall Airport Baltimore, Maryland |
| 1st stopover | Chicago Midway International Airport Chicago, Illinois |
| Last stopover | Salt Lake City International Airport Salt Lake City, Utah |
| Destination | McCarran International Airport Las Vegas, Nevada |
| Occupants | 103 |
| Passengers | 98 |
| Crew | 5 |
| Fatalities | 0 |
| Injuries | 3 |
| Survivors | 103 |
| Ground casualties | |
| Ground fatalities | 1 |
| Ground injuries | 9 |
Aircraft and crew
The aircraft, a one-year-old Boeing 737-700 with tail number N471WN,[6] was delivered to Southwest in July 2004. It was powered by two CFM International CFM56-7B24 turbofan engines.[2]:8–9[7]
The captain was 59-year-old Bruce Sutherland, who had been a former U.S. Air Force pilot. He joined Southwest Airlines in August 1995 and had 15,000 flight hours, including 4,500 hours on the Boeing 737. The first officer was 34-year-old Steven Oliver, who had been working for the Airline since February 2003, having previously served as a captain for Mesaba Airlines. The first officer had 8,500 flight hours (with 4,000 of them as a captain), with 2,000 of them on the Boeing 737. Neither pilot had been involved in any accident or incident before Flight 1248.[2]:6–8[8]
Captain Sutherland was the pilot flying (PF) and first officer Oliver was the pilot monitoring (PM).[2]:1
Accident

On Thursday, December 8, 2005, Southwest Airlines Flight 1248 was scheduled to arrive at Chicago Midway International Airport from Baltimore-Washington International Thurgood Marshall Airport, and then continue on to Salt Lake City International Airport, then to Las Vegas McCarran International Airport. The flight circled over a small area in northwest Indiana several times before attempting to land in a snowstorm.[2]:1 The snowstorm had reduced visibility to less than one mile.[2]:9[10]
At around 7:15 PM CST, the pilot attempted a landing with nearly eight inches of snow on the ground in the area. Airport officials stated that the runway was cleared of snow prior to the time of landing. The latest reported weather had the wind from between east and east-southeast (090°) at 11 knots (20 km/h; 13 mph).[2]:1
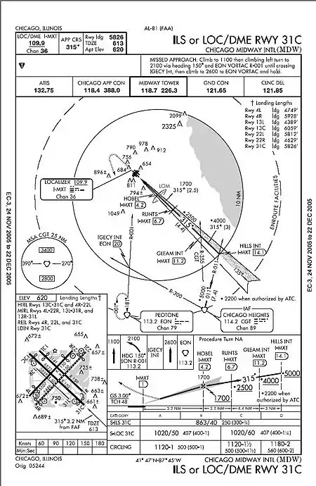
A south easterly wind would normally favor landing into the wind on runway 13 Center. The runway visual range was reported at 4,500 feet (1,400 m), below the landing minimums for the Instrument Landing System approach to runway 13C. The only available runway with lower minimums was the opposite direction on 31C, which the crew selected, with the aircraft's groundspeed consequentially boosted by the tailwind.[2]:2[11]
The 737 skidded during landing; subsequently, witnesses said the nosegear collapsed and the aircraft crashed into a barrier wall surrounding the airport, coming to rest on Central Avenue just south of the 55th Street intersection at the northwestern corner of the airport.[2]:4 The intersection was full of traffic, and the airplane hit at least three cars, killing six-year-old Joshua Woods, critically injuring five occupants of one car (two adults and three children), and seriously injuring four occupants of a second car.[2]:6 All were quickly taken to area hospitals. Three passengers from the aircraft were taken to hospitals with minor injuries. A total of twelve people were taken to hospitals after the incident. One other car hit was parked and unoccupied.[12][13]
Investigation
The National Transportation Safety Board investigated the accident. Chicago Fire Department Commissioner Cortez Trotter said the aircraft would not be removed from the intersection until the NTSB gave clearance to do so following its on-site investigation. The nose of the aircraft was hoisted onto a flatbed tractor-trailer on Saturday, December 10, and the 737 was towed to a hangar for continued inspection.
As the Boeing 737-700 is a "Next Generation" model, the aircraft was equipped with the latest anti-skid and braking technology. The report noted that Southwest had only very recently begun actually using the autobrake systems, and that pilot training on proper use of auto brakes had been inadequate.
The NTSB preliminary report determined that the aircraft touched down in the touchdown zone of the runway with 4,500 feet (1,400 m) of its 6,522-foot (1,988 m) length remaining; under the prevailing conditions of weather, wind, speed, and weight, the aircraft needed 5,300 feet (1,600 m) of runway to stop safely. It was found that the tailwind was 8 knots and exceeded the required limit of 5 knots.[14]
A preliminary NTSB advisory says:
"The flying pilot (Captain) stated that he could not get the reverse thrust levers out of the stowed position. The first officer, after several seconds, noticed that the thrust reversers were not deployed, and activated the reversers without a problem. Flight data recorder information reveals that the thrust reversers were not deployed until 18 seconds after touchdown, at which point there was only about 1,000 feet (300 m) of usable runway remaining."[11]
Alternately, the crew could have held in the air, waiting for the weather to improve, or they could have diverted to another airport, such as Chicago O'Hare International, whose substantially longer runways were 10 minutes' flying time away. Each of these options would have entailed considerable additional expense for Southwest, as well as missed connections and significant inconvenience for the flight's passengers. The National Transportation Safety Board identified the psychological pressure to complete their assigned task as one of the factors contributing to the crew's decision to land at Midway despite unfavorable conditions. Cockpit voice-recorder transcripts indicate the pilots had been concerned about the weather and, prior to landing, jokingly alluded to the movie Airplane!, saying, "I picked a bad day to stop sniffin' glue."[15]
The NTSB discovered that the air traffic controller told the pilots that the braking action for the first half of the runway was good, and poor for the second half. However investigators found that the controller did not give the pilots all the required braking action reports available because he did not take into account the aircraft type from which the reports came from. One of these planes was a small plane that reported poor braking conditions. It was found that braking action reports varied significantly based on aircraft type, changing weather conditions, personnel experience, the type of equipment used, and the time of report, and therefore should not be used as conclusive information on runway conditions.
The pilots stated that based on the calculations they made into the Onboard Performance Computer (OPC), they believed they could land and stop safely. However, investigators determined that the OPC based its stopping margins on two assumptions: first that the tailwind is lower than that during the accident, and second that the thrust reversers are deployed on time upon landing. It was found that the pilots were unaware of these assumptions and that Southwest had not provided sufficient recurrent training on them. Therefore, the pilots did not use the critical braking action term "poor" when assessing the landing performance.
Southwest Airlines had a policy that required pilots to consider more critical braking action assessments when they receive mixed braking action reports. However, it was found that the accident pilots were unaware of this policy and therefore did not consider it while assessing landing conditions. The NTSB also found that three other company pilots landed before the accident with the same mixed braking action reports. When interviewed, company pilots revealed that they too either did not adhere to the mixed braking policy or were not aware of it. Southwest also had not routinely trained its pilots on following or understanding the mixed braking action report policy, and it was not referenced in the company manuals.
The NTSB concluded that even under the poor braking conditions and the tailwind, the plane could have stopped in time had the pilots deployed the thrust reversers on time. Examination of the reverser system found no evidence of malfunction.
The National Transportation Safety Board determined that the probable cause of this accident was the pilots' failure to use available reverse thrust in a timely manner to safely slow or stop the airplane after landing, which resulted in a runway overrun. This failure occurred because the pilots' first experience and lack of familiarity with the airplane's autobrake system distracted them from thrust reverser usage during the challenging landing.
Contributing to the accident were Southwest Airlines' 1) failure to provide its pilots with clear and consistent guidance and training regarding company policies and procedures related to arrival landing distance calculations; 2) programming and design of its on-board performance computer, which did not present critical assumption information despite inconsistent tailwind and reverse thrust assessment methods; 3) plan to implement new autobrake procedures without a familiarization period; and 4) failure to include a margin of safety in the arrival assessment to account for operational uncertainties. Contributing to the severity of the accident was the absence of an engineered materials arrestor system, which was needed because of the limited runway safety area beyond the departure end of runway 31C." [2]:ix,67
Aftermath
It is now recommended practice for any new runway to have a clear area at least 1,000 feet (300 m) long at each end, called a 'runway safety area', to allow additional space for an aircraft that overruns the runway to decelerate and stop in relative safety. As Midway was constructed before these rules were put in place, it does not have this safety area. The accident renewed debates on the need for, and feasibility of, an engineered materials arrestor system, or EMAS, at Chicago Midway, given the lack of adequate overrun areas, and the surrounding residential neighborhoods. The city began acquiring land for a buffer zone around the airport after the crash occurred.[14] In 2007, installation began on modified, short-length arrestor beds. The first one was completed at the end of Runway 31C by summer 2007. EMAS beds have also been installed at the end of 04R, 13C and 22L.
The accident occurred exactly 33 years after United Airlines Flight 553, also a Boeing 737, crashed while approaching Midway Airport, killing 45.[16]
The accident involving Flight 1248 was the first Southwest Airlines accident in the 35-year history of the company to result in a fatality. The previous major incident was in 2000, when Southwest Airlines Flight 1455 overran a runway in Burbank, California, injuring 43 and narrowly avoiding a catastrophe; the aircraft ended up outside a Chevron gas station.
As a direct result of the accident, the U.S. Federal Aviation Administration created a Takeoff and Landing Performance Assessment Aviation Rule-making Committee. (i.e. TALPA ARC). In 2016, based on the recommendations of TALPA ARC, the FAA implemented new "Runway Condition Code" method for the communication of runway conditions from airport management to flight crew members.[17]
.jpg.webp)
Although the Midway accident killed a person on the ground rather than a passenger or crew member, Southwest followed the tradition of retiring any flight number involved in a fatal crash; flights from Baltimore to Chicago departing at or around 3:55 PM were designated Flight 1885 until that flight number was moved to a different flight. Southwest also petitioned the FAA[18] in July 2006 to have the tail number of the aircraft changed to N286WN.[19] After a lengthy repair, the aircraft emerged from Southwest's Midway hangar as N286WN in September 2006.[20]
See also
| Wikinews has related news: |
- Runway excursion
- Aviation accidents and incidents
- Engineered materials arrestor system
- Ground effect (aerodynamics)
- Runway safety area
Events at Midway
- United Airlines Flight 553 – December 8, 1972
Runway overshoots
- TAP Portugal Flight 425 – November 19, 1977
- Lufthansa Flight 2904 – September 14, 1993
- American Airlines Flight 1420 – June 1, 1999
- Qantas Flight 1 – September 23, 1999
- Southwest Airlines Flight 1455 – March 5, 2000
- Lion Air Flight 583 – November 30, 2004
- Air France Flight 358 – August 2, 2005
- Garuda Indonesia Flight 200 – March 7, 2007
- TAM Airlines Flight 3054 – July 17, 2007
- One-Two-GO Airlines Flight 269 – September 16, 2007
- American Airlines Flight 331 – December 22, 2009
- Air India Express Flight 812 - May 22, 2010
- Allied Air Flight 111 - June 2, 2012
- Red Wings Airlines Flight 9268 – December 29, 2012
- Air India Express Flight 1344 - August 7, 2020
Sources
This article incorporates public domain material from websites or documents of the National Transportation Safety Board.
Works cited
- "FAA Registry (N286WN)". Federal Aviation Administration.
- "Runway Overrun and Collision, Southwest Airlines Flight 1248, Boeing 737-7H4, N471WN, Chicago Midway International Airport, Chicago, Illinois, December 8, 2005" (PDF). National Transportation Safety Board. October 2, 2007. NTSB/AAR-07/06. Archived (PDF) from the original on February 4, 2013. Retrieved November 7, 2019.
- "Southwest, Family of Midway Victim Reach Settlement". AviationPros.Com. April 3, 2007. Retrieved February 15, 2015.
- Sadovi, Carlos; Casillas, Ofelia; Presecky, William; Heinzmann, David; Doyle, Gerry (December 10, 2005). "A father's horror: He saw jet coming". The Chicago Tribune. Retrieved February 15, 2015.
- Koch, Kathleen (October 2, 2007). "NTSB: Pilot erred in runway crash that killed boy". CNN. Retrieved February 15, 2015.
- "FAA Registry (N471WN)". Federal Aviation Administration.
- "N286WN Southwest Airlines Boeing 737-700". www.planespotters.net. Retrieved November 7, 2019.
- Hilkevitch, Jon (June 21, 2006). "Midway a 'black hole' to Southwest pilots". Chicago Tribune. Retrieved January 16, 2019.
- "Chicago Midway Runway 31C ILS/DME Approach Chart". Instrument Approach Procedures, Illinois & Wisconsin. Aeronautical Charting Office, Federal Aviation Administration. November 24, 2005.
- "Southwest Airlines CEO Discusses Chicago Midway Incident". Southwest Airlines. December 9, 2005. Archived from the original on December 11, 2005. Retrieved October 26, 2018.
- "NTSB Update on Southwest Airlines Runway Overrun at Midway Airport". National Transportation Safety Board. December 15, 2005. Retrieved October 26, 2018.
- "Boy dies as jet skids off runway". BBC. December 9, 2005. Retrieved October 26, 2018.
- Ranter, Harro. "ASN Aircraft accident Boeing 737-7H4 (WL) N471WN Chicago-Midway Airport, IL (MDW)". aviation-safety.net. Retrieved November 7, 2019.
- Kidwell, David; McCormick, John; Hilkevitch, Jon; Gibson, Ray; Washburn, Gary; Sadovi, Carlos; Mihalopoulos, Dan (December 16, 2005). "Chicago's Midway Land Rush: City quietly buys 400 parcels around Southwest Side airport". Chicago Tribune. Retrieved October 26, 2018.
- Wald, Matthew (June 20, 2006). "New Details About 2005 Southwest Crash Emerge at Hearing". The New York Times. Retrieved October 26, 2018.
- "Aircraft Accident Report, United Air Lines, Inc., Boeing 737, N9031U" (PDF). National Transportation Safety Board. August 29, 1973. Retrieved March 22, 2009.
- "SAFO: Subject: Runway Assessment and Condition Reporting, Effective October 1, 2016" (PDF). Retrieved July 17, 2019.
- "July 2006 petition". Archived from the original on December 4, 2007. Retrieved July 17, 2019.
- "N-number Inquiry Results". United States Federal Aviation Administration. December 7, 2006. Retrieved December 7, 2006.
- "Registration Details For N471WN (Southwest Airlines) 737-7H4(WL) - PlaneLogger". www.planelogger.com. Retrieved November 7, 2019.
References
- "Boy killed after plane skids off runway". CNN. December 8, 2005.
- "Boy Killed After Plane Skids Off Runway". Associated Press. December 8, 2005.
- "Airplane's nose gear breaks off in crash". Chicago Tribune. December 8, 2005.
- "Boy dies as jet skids off runway". BBC. December 8, 2005.
- "NTSB urges pilots to change landing distance calculations". CNN. December 7, 2006.
- "NTSB UPDATE ON SOUTHWEST AIRLINES RUNWAY OVERRUN AT MIDWAY AIRPORT" (Press release). NTSB. December 15, 2005. Retrieved January 3, 2006.
External links
- National Transportation Safety Board
- Information Regarding Southwest Airlines Flight 1248 as of December 11, 2005
- FlightAware tracking page for Southwest Flight 1248 showing flight path
