United Express Flight 6291
United Express Flight 6291 was a regularly scheduled United Express flight from Washington Dulles International Airport near Washington, D.C. to Port Columbus International Airport in Columbus, Ohio. It was a service operated by Atlantic Coast Airlines on behalf of United Express.
![]() A United Express Jetstream 41, sister ship to the accident aircraft | |
| Accident | |
|---|---|
| Date | January 7, 1994 |
| Summary | Stalled on approach due to pilot error |
| Site | Gahanna, Ohio (near Port Columbus International Airport), United States 39°59′31.8″N 82°50′49.8″W |
| Aircraft | |
| Aircraft type | British Aerospace Jetstream 41 |
| Operator | Atlantic Coast Airlines DBA United Express |
| Registration | N304UE |
| Flight origin | Washington Dulles International Airport |
| Destination | Port Columbus International Airport |
| Occupants | 8 |
| Passengers | 5 |
| Crew | 3 |
| Fatalities | 5 |
| Survivors | 3 |
Late on the night of January 7, 1994, the British Aerospace Jetstream 41 operating as Flight 6291 stalled and crashed on approach to Port Columbus International Airport. The two pilots, the flight attendant, and two passengers died in the crash. The surviving passengers were a Taiwanese family of three.[1]
Accident

Flight 6291 left the gate at Dulles at 21:58 (9:58PM) for the 90-minute flight to Columbus. The crew were Captain Derrick White (35), First Officer Anthony Samuels (29), and a flight attendant (58). There were five passengers on board.[2]
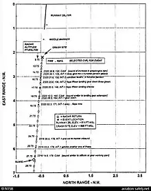
At 23:10 (11:10PM), Columbus Approach Control was contacted. The captain advised the controller that the aircraft was descending through 13,200 ft (4,000 m) to 11,000 ft (3,400 m). The controller assigned a 285-degree heading to intercept the Instrument Landing System (ILS) for runway 28L and cleared Flight 6291 to 10,000 ft (3,000 m). An updated weather report was at 23:15 (11:15PM), reporting a cloud overcast 800 ft (240 m) above the ground, visibility 2.5 miles (4.0 km) in light snow and fog with wind 300 degrees at 4 knots. A runway 28L ILS approach clearance was given when the flight passed the SUMIE final approach fix. A clearance to land on runway 28L was given two minutes later.
The aircraft was descending through an altitude of 1,250 ft (380 m) when the stick shaker activated and sounded for 3 seconds. After 1.5 seconds, the stick shaker sounded again. The aircraft continued to descend below the glide slope until it collided with a stand of trees in a high nose-up attitude. It came to rest upright in a commercial building, 1.2 mi (1.9 km) short of the runway. After the impact, a fire started in or near the left engine, which spread to the rest of the aircraft. At least four of the passengers survived the crash; however, only three – a family, though they were slowed by difficulty getting their seatbelts to release – escaped before the aircraft was fully engulfed in flames.[3]
Investigation
The National Transportation Safety Board (NTSB) investigated the crash and released its report on October 6, 1994. In the report, the crew and Atlantic Coast Airlines were faulted for the crash. The pilots followed a poorly planned and executed approach, then improperly responded to a stall warning, and lacked experience in aircraft equipped with an electronic flight instrument system. Atlantic Coast failed to provide adequate stabilized approach criteria, suitable training simulators, and crew resource management training.[4]
In addition, the report recommended that the type of seatbelts used on the aircraft be removed from service on all airplanes, and that certification of future seatbelt designs include a test matching the conditions that were experienced during this incident.[4]
In popular culture
The crash of United Express Flight 6291 was covered in "Slam Dunk", a Season 19 episode of the internationally syndicated Canadian TV documentary series Mayday.[5]
References
- Ranter, Harro. "ASN Aircraft accident British Aerospace 4101 Jetstream 41 N304UE Columbus-Port Columbus International Airport, OH (CMH)". aviation-safety.net. Aviation Safety Network. Retrieved February 6, 2020.
- "3 in Family Escape Crash". The New York Times. Associated Press. January 9, 1994. ISSN 0362-4331. Retrieved May 15, 2014.
- "Fatal crash blamed on pilot". Toledo Blade. Associated Press. December 14, 1994. Retrieved May 15, 2014.
- "Stall and Loss of Control on Final Approach, Atlantic Coast Airlines, Inc./ United Express Flight 6291 Jetstream 4101, N304UE, Columbus, Ohio, January 7, 1994" (PDF). Aircraft Accident Report. National Transportation Safety Board. October 6, 1994. NTSB/AAR-94/07. Retrieved March 24, 2017.
- "Slam Dunk". Mayday. Season 19. Episode 10. Cineflix. March 11, 2019. Discovery Channel Canada.
_AN0067681.jpg.webp)